With over 300 years of engineering experience, Savery designs and manufactures high-quality hydraulic systems tailored to your needs. If you're interested in this product, fill in our contact form, and our team will be in touch.
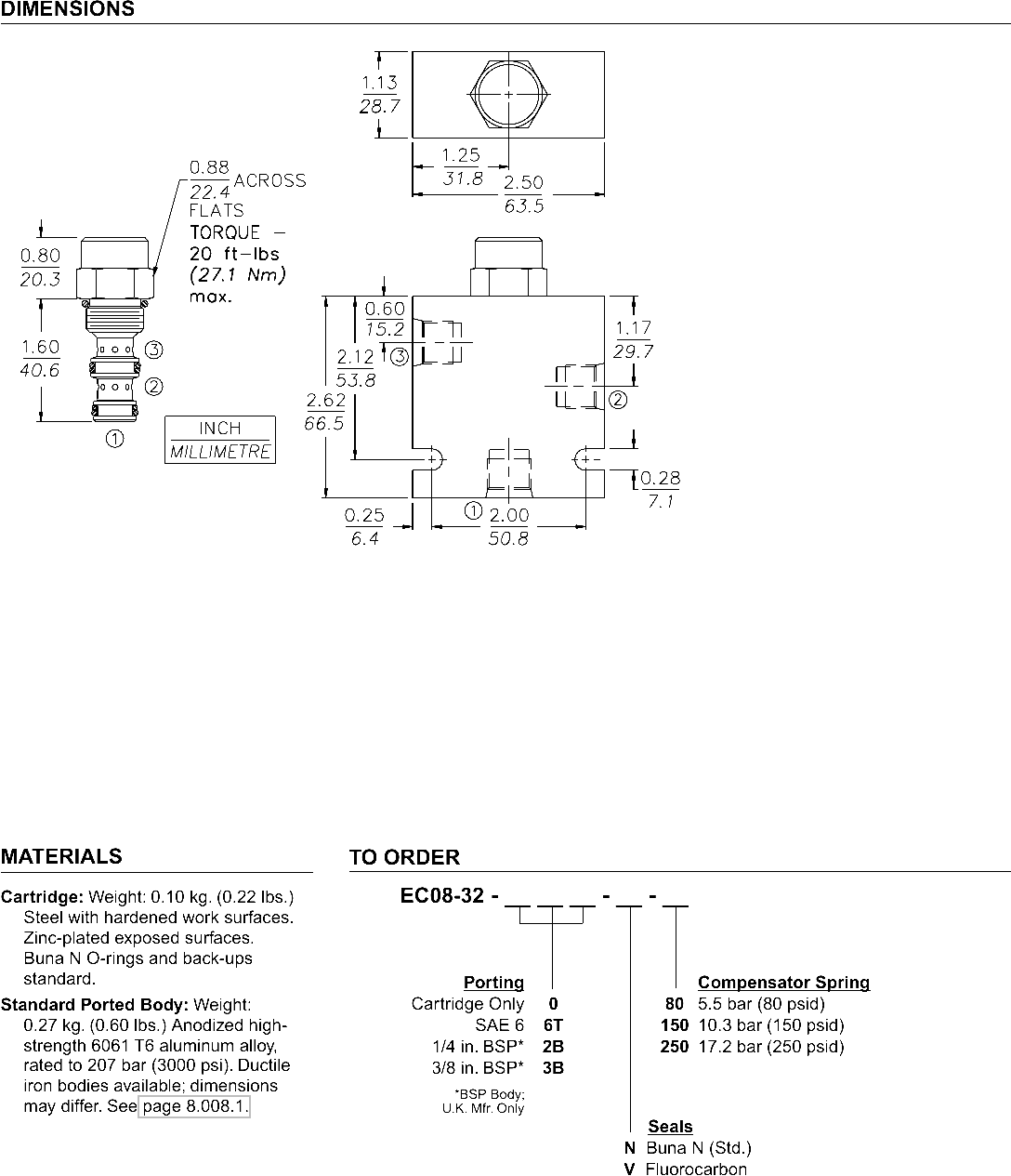
Contact usEC08-32 Pressure-Compensator w/Load Sense (EC08-32)
A screw-in, cartridge-style, load sense, flow-on-demand pressure-compensator.
Product Operation
With inlet flow at ➁, the EC08-32 will deliver required flow at ➂ in response to load differential pressure sensed at ➀
Product Features
• Hardened parts for long life.
• Quiet, modulated response.
• Industry common cavity.
Product Ratings
Operating Pressure: 241 bar (3500 psi)
Proof Pressure: 345 bar (5000 psi)
Burst Pressure: 1034 bar (15000 psi)
Flow Rate: 11.4 lpm (3.0 gpm) with 5.5 bar (80 psi) compensating spring;18.9 lpm (5.0 gpm) with 10.3 bar (150 psi) compensating spring30.3 lpm (8.0 gpm) with 17.2 bar (250 psi) compensating spring
Temperature: -40 to 120°C
Filtration: See page 9.010.1
Fluids: Mineral-based or synthetics with lubricating properties at viscosities of 7.4 to 420 cSt (50 to 2000 sus); See Temperature and Oil Viscosity, page 9.060.1
Installation: No restrictions; See page 9.020.1
Cavity: VC08-3; See page 9.108.1
Cavity Tool: CT08-3XX; See page 8.600.1
Seal Kit: SK08-3X-M; See page 8.650.1



















