With over 300 years of engineering experience, Savery designs and manufactures high-quality hydraulic systems tailored to your needs. If you're interested in this product, fill in our contact form, and our team will be in touch.
Contact usHEC12-32 Pressure Compensator, Flow On Demand (HEC12-32)
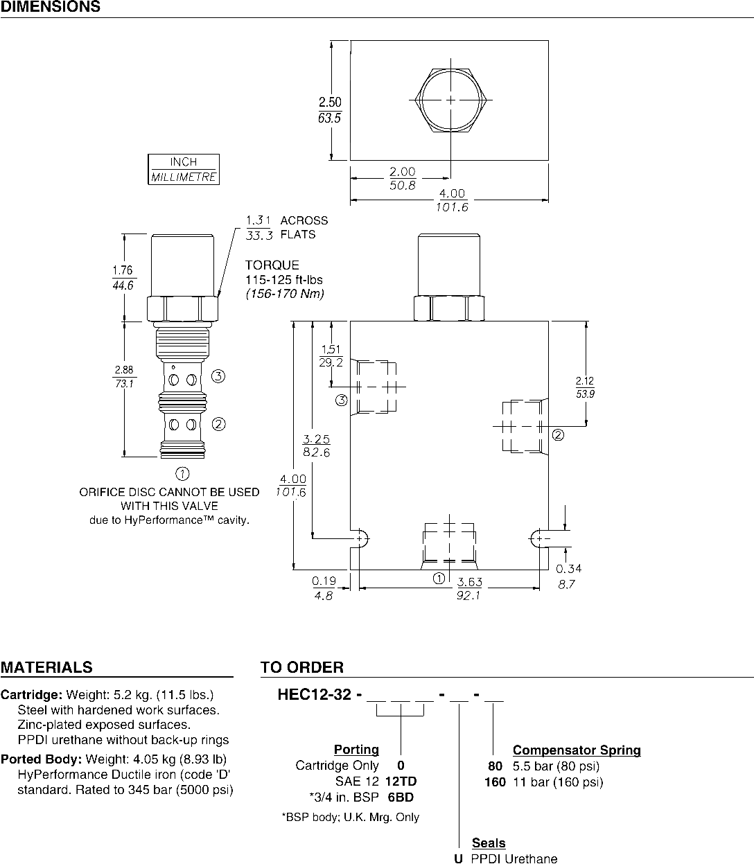
A screw-in, cartridge-style, load-sense, flow-on-demand, pressure compensator valve.
Product Operation
With inlet flow at port 2, the HEC12-32 will deliver required flow at port 3, regardless of load pressure sensed at port 1. NOTE: For greater stability, it is recommended to install the 10.53 mm (0.21 inch) orifice in the load sense line at port 1.
Product Features
• Hardened parts for long life.
• Quiet, modulated response.
Product Ratings
Operating Pressure: 350 bar (5075 psi) 10% cycle life: 420 bar (6090 psi)
Proof Pressure: 690 bar (10000 psi)
Burst Pressure: 1380 bar (20000 psi)
Maximum Inlet Flow Rate: 83 lpm (22 gpm) with 11 bar (160 psi) compensating spring; 57 lpm (15 gpm) with 5.5 bar (80 psi) compensating spring
Maximum Internal Leakage: 52 ml/min (3.2 cu.in./min) at port 1 with 350 bar (5075 psi) pressure at port 2 and port 3 blocked.
Flow Maintenance: See performance chart
Temperature: -54° to 107°C (-65° to 225°F) with PPDI Urethane seals
Filtration: See page 9.010.1
Fluids: Mineral-based or synthetics with lubricating properties at viscosities of 7.4 to 420 cSt (50 to 2000 sus); See Temperature and Oil Viscosity, page 9.060.1
Installation: No restrictions; See page 9.020.1
Cavity: HVC12-3
Cavity Tool: HCT-3X0-X-X; See page 8.600.1
Seal Kit: HSK12-3U-0; See page 8.650.1
ISO SYMBOL


















