With over 300 years of engineering experience, Savery designs and manufactures high-quality hydraulic systems tailored to your needs. If you're interested in this product, fill in our contact form, and our team will be in touch.
Contact usFDC16 Flow Divider/Combiner (FDC16)
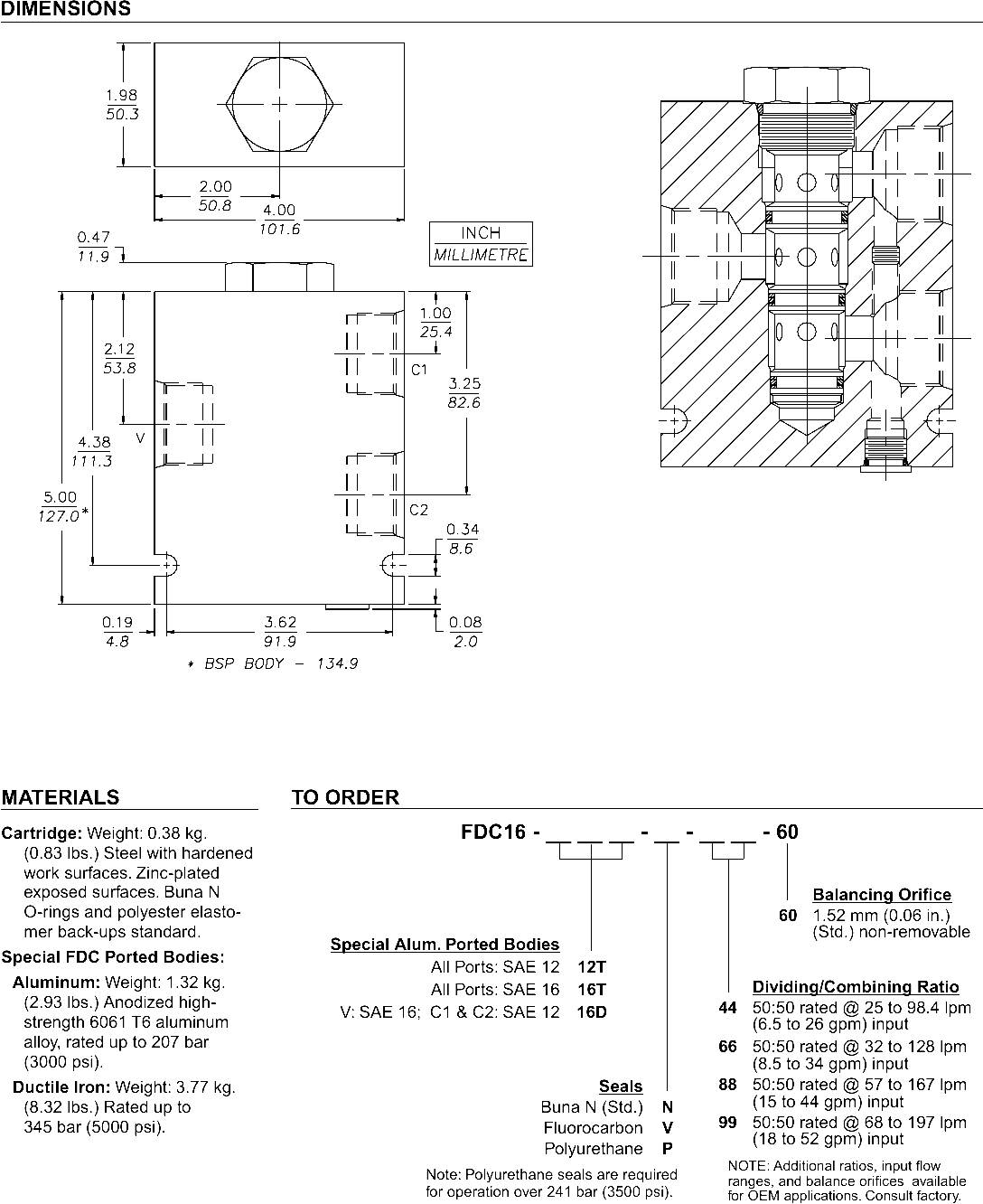
A specialized flow divider/combiner valve manifold, commonly applied in hydraulic motor drive applications with uneven pressure loads caused by steering or ground conditions. This valve/manifold assembly uses the FD56-45 cartridge valve; see page 5.636.1.
Product Operation
In the dividing mode, the FDC16 will divert input flow from valve port 3 (V) to ports 2 (C2) and 4 (C1) based on the ratio specified, while pressure at 2 and 4 remains relatively equal. If a pressure differential develops, fluid will be transfered to the lower pressure port from the higher pressure port via an internal body orifice: 4 to 2 or 2 to 4.In the combining mode, the internal orifice will serve to equalize load pressures, preventing combiner spool lock-up.
Product Features
• Hardened parts for long life.
• Quiet, modulated response.
Product Ratings
Operating Pressure: 207 bar (3000 psi) with aluminum body;345 bar (5000 psi) with ductile iron body and polyurethane seals.Pressure Drop: 24 bar (350 psi) at maximum inlet flow.
Flow: See Performance Chart
Flow Options:Code
44: 50:50 rated @ 25 to 98.4 lpm (6.5 to 26 gpm) inputCode
66: 50:50 rated @ 32 to 128 lpm (8.5 to 34 gpm) inputCode
88: 50:50 rated @ 57 to 167 lpm (15 to 44 gpm) inputCode
99: 50:50 rated @ 68 to 197 lpm (18 to 52 gpm) inputOther ratio options available; consult factory.
Balancing Orifice: 1.52 mm (0.06 in.) standard.
Standard Compensator Bias Spring: 2.07 bar (30 psid)
Flow Accuracy: 10% from 33-100% of rated flow with approximately equal 2 and 4 port loads.
Temperature: -40 to 120°C (-40 to 248°F)
Filtration: See page 9.010.1
Fluids: Mineral-based or synthetics with lubricating properties at viscosities of 7.4 to 420 cSt (50 to 2000 sus); See Temperature and Oil Viscosity, page 9.060.1
Installation: No restrictions; See page 9.020.1
Seal Kit: for FD56-45 cartridge: SK16-4X-MMM; See page 8.650.1



















