With over 300 years of engineering experience, Savery designs and manufactures high-quality hydraulic systems tailored to your needs. If you're interested in this product, fill in our contact form, and our team will be in touch.
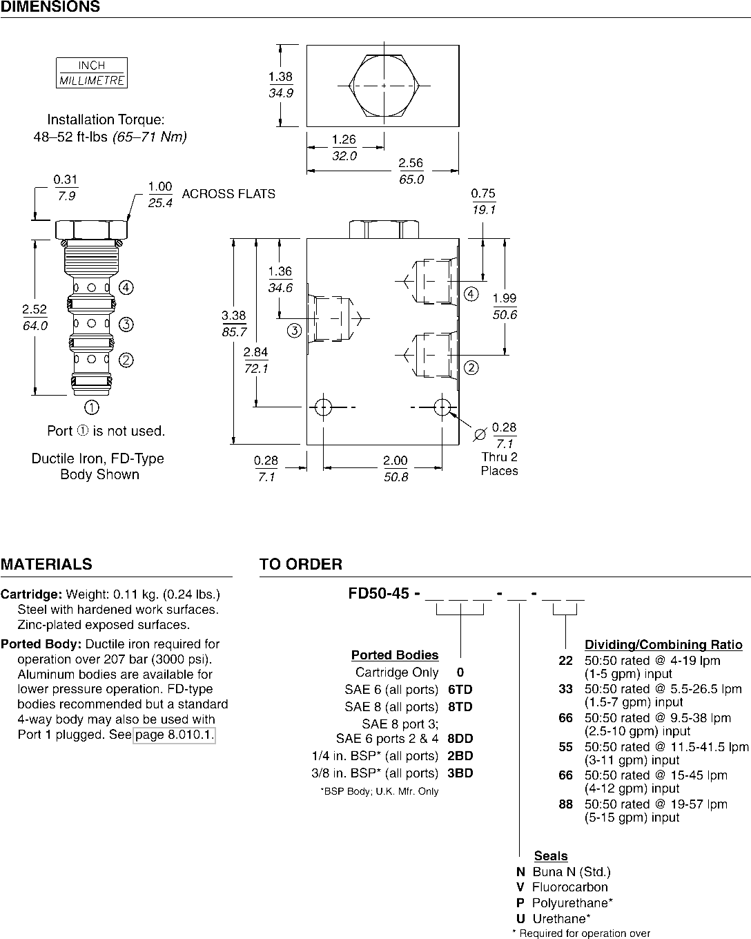
Contact usFD50-45 Flow Divider/Combiner . . . Heavy Duty, (FD50-45)
A heavy duty, multifunction, screw-in, cartridge-style, spool-type flow divider/combiner.
Product Operation
In the dividing mode, the FD50-45 will divert input flow from port 3 to ports 2 and 4, based on the ratio specified, regardless of operating pressure. When the flow direction is reversed the valve will combine flows from 2 and 4 to port 3. Synchronizing flow is provided in both the dividing and combining modes at “bottomed” conditions in cylinder applications and at “stalled” conditions in motor applications.
Product Features
• Hardened parts for long life.
• Quiet, modulated response.
• Wide operating flow range.
• Synchronizing in dividing and combining modes.
• Floating cage — high installation torque
• Industry common cavity.
Product Ratings
Operating Pressure: 345 bar (5000 psi)
Burst Pressure: 1103 bar (16000 psi)
Flow Options: Input Flow: 4 – 19 lpm (1 – 5 gpm); Ratio: 50:50; Model Code: 22 Input Flow: 5.5 – 26.7 lpm (5 – 7 gpm); Ratio: 50:50; Model Code: 33 Input Flow: 9.5 – 38 lpm (2.5 – 10 gpm); Ratio: 50:50; Model Code: 44 Input Flow: 11.5 – 41.5 lpm (3 -11 gpm); Ratio: 50:50; Model Code: 55 Input Flow: 15 – 45 lpm (4 -12 gpm); Ratio: 50:50; Model Code: 66 Input Flow: 19 – 57 lpm (5 – 15 gpm); Ratio: 50:50; Model Code: 88
Synchronizing Flow: Approximately 10% of maximum inlet flow
Flow Accuracy: 10% of inlet flow for Models 22, 33, 44, 55 and 66; 15% of inlet flow for Model 88.
Temperature: -40 to 100°C (-40 to 212°F) for Buna N seals; -26 to 204°C (-15 to 400°F) for fluorocarbon seals; -54 to 107°C (-65 to 225°F) for polyurethane and urethane seals.
Filtration: See page 9.010.1
Fluids: Mineral-based or synthetics with lubricating properties at viscosities of 7.4 to 420 cSt (50 to 2000 sus); See Temperature and Oil Viscosity, page 9.060.1
Installation: No restrictions; See page 9.020.1 Note: Standard 10 size 4-way bodies can be used with this product with Port 1 plugged. See page 8.010.1 for special flow divider bodies.
Cavity: VC10-4; See page 9.110.1
Cavity Tool: CT10-4X; See page 8.600.1
Seal Kit: SK10-4X-MMM; SK10-2U-000 (urethane). See page 8.650.1



















