With over 300 years of engineering experience, Savery designs and manufactures high-quality hydraulic systems tailored to your needs. If you're interested in this product, fill in our contact form, and our team will be in touch.
Contact usHPD42-S63 HyPerformance (HPD42-S63)
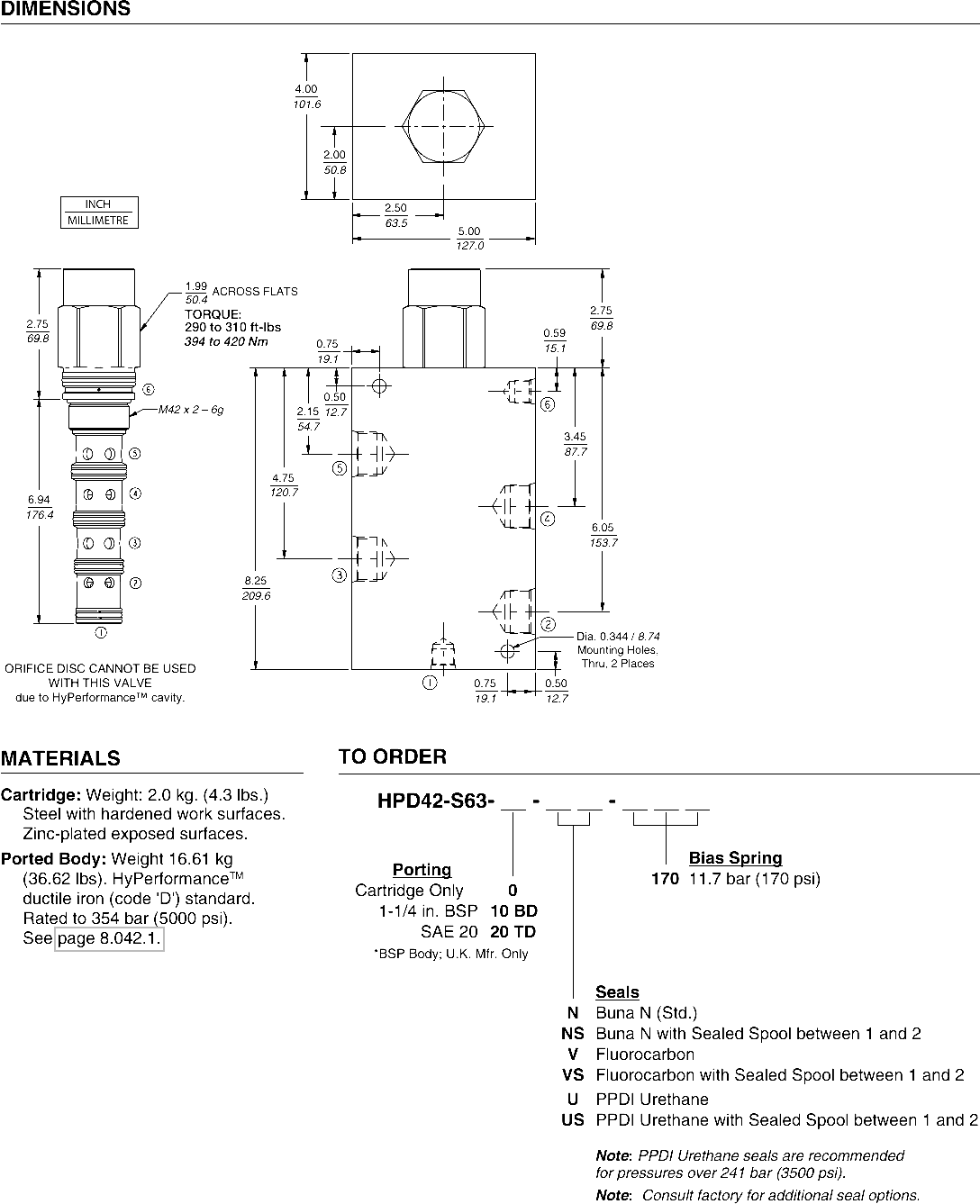
A high pressure, screw-in, cartridge-style, pilot-operated, spool-type, hydraulic cartridge valve.
Product Operation
In the neutral position, the HPD42-S63 blocks flow at all ports. On remote pilot signal at 1, the valve shifts to allow flow between ports 2 and 3, and between 4 and 5 bidirectionally. The spring chamber is vented to the tank through port 6. The vented spring chamber allows the valve to be fully pressurized at ports 1, 2, 3, 4 and 5 without affecting required pilot pressure. Pressure at 6 will increase the required pilot pressure at a 1:1 ratio.
Product Features
• Hardened spool and cage for long life.
• Optional sealed spool between ports 1 and 2.
• All HyPerformance™ products are tested to the rigorous standards of the NFPA specification T2.6.1 and are tested at a verification level of 90% and an assurance of 99%
Product Ratings
Operating Pressure: 350 bar (5075 psi); 10% cycle life: 420 bar (6090 psi) Note: All HyPerformance™ products are tested for 900K cycles at 350 bar and 100K at 420 bar.
Proof Pressure: 630 bar (10000 psi)
Burst Pressure: 1380 bar (20000 psi)
Flow Rating: 189 lpm (50 gpm)
Maximum Internal Leakage: at 350 bar (5075 psi) with 32 cSt oil: Ports 3 to 4: 740 ml/minute (45 cu. in./minute) Ports 3 to 2: 370 ml/minute (23 cu. in./minute)
Temperature: -40 to 100°C (-40 to 212°F) with Buna N seals; -26 to 204°C (-15 to 400°F) with Viton seals; -54 to 107°C (-65 to 225°F) with Urethane seals
Filtration: See page 9.010.1
Fluids: Mineral-based or synthetics with lubricating properties at viscosities of 7.4 to 420 cSt (50 to 2000 sus); See Temperature and Oil Viscosity, page 9.060.1
Installation: No restrictions; See page 9.020.1
Cavity: HVC42-S6; See page 9.142.1
Cavity Tool: HCT42-S6XX; See page 8.600.1
Seal Kit: HSK42-S6X-BMMMM (Buna N), HSK42-S6V-BMMMM (Viton), HSK42-S6U-0000 (Urethane); See page 8.650.1


















