With over 300 years of engineering experience, Savery designs and manufactures high-quality hydraulic systems tailored to your needs. If you're interested in this product, fill in our contact form, and our team will be in touch.
Contact usHPD42-S52 HyPerformance (HPD42-S52)
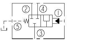
A screw-in, cartridge-style, pilot-operated, spool-type, hydraulic directional valve for use in high pressure applications.
Product Operation
When in neutral the HPD42-S52 blocks flow between all ports. On remote pilot signal at 1, the valve’s spool shifts to allow flow between ports 2, 3 and 4. The spring chamber is vented to the tank through port 5. The vented spring chamber allows the valve to be fully pressurized at ports 1, 2, 3, and 4 without affecting required pilot pressure. Pressure at port 5 will increase the required pilot pressure at a 1:1 ratio.
Product Features
•
Hardened spool and cage for long life.• All HyPerformance™ products are tested to the rigorous standards of the NFPA specification T2.6.1.• All HyPerformance™ valves are tested at a verification level of 90% and an assurance of 99%.
Product Ratings
Operating Pressure: 350 bar (5075 psi); 10% cycle life: 420 bar (6090 psi)Note: All HyPerformance™ products are tested for 900K cycles at 350 bar and 100K at 420 bar.
Proof Pressure: 690 bar (10000 psi)
Burst Pressure: 1380 bar (20000 psi)
Flow Rating: Maximum total input flow 265 lpm (70 gpm)
Internal Leakage: 328 ml/minute (20 cu. in./minute) at 350 bar (5075 psi)
Operating Temperature: -54 to 107°C (-65 to 225°F) with PPDI urethane seals
Filtration: See page 9.010.1
Fluids: Mineral-based or synthetics with lubricating properties at viscosities of 7.4 to 420 cSt (50 to 2000 sus); See Temperature and Oil Viscosity, page 9.060.1
Installation: No restrictions; See page 9.020.1
Cavity: HVC42-S5; See page 9.142.1
Cavity Tool: HCT42-5XX; See page 8.600.1
Seal Kit: HSK42-S5U-0000 (Urethane); See page 8.650.1



















