With over 300 years of engineering experience, Savery designs and manufactures high-quality hydraulic systems tailored to your needs. If you're interested in this product, fill in our contact form, and our team will be in touch.
Contact usHPD16-S51 HyPerformance (HPD16-S51)
A screw-in, cartridge-style, pilot-operated, spool-type, hydraulic directional valve for use in high pressure applications.
Product Operation
When in neutral the HPD16-S51 allows flow between ports 2, 3 and 4. On remote pilot signal at 1, the valve’s spool shifts to block all ports. The spring chamber is vented to the tank through port 5. The vented spring chamber allows the valve to be fully pressurized at ports 1, 2, 3, and 4 without affecting required pilot pressure. Pressure at port 5 will increase the required pilot pressure at a 1:1 ratio.
Product Features
•
Hardened spool and cage for long life.• All HyPerformance™ products are tested to the rigorous standards of the NFPA specification T2.6.1.• All HyPerformance™ valves are tested at a verification level of 90% and an assurance of 99%.
Product Ratings
Operating Pressure: 350 bar (5075 psi); 10% cycle life: 420 bar (6090 psi)Note: All HyPerformance™ products are tested for 900K cycles at 350 bar and 100K at 420 bar.
Proof Pressure: 690 bar (10000 psi)
Burst Pressure: 1380 bar (20000 psi)
Flow: Up to 151 lpm (40 gpm) with PPDI urethane seals and no flow restriction; up to 151 lpm (40 gpm) with seales spool between ports 1 and 2 and restricted flow between ports 2 and 3 and 3 and 4 up to 95 lpm (25 gpm) maximum.
Internal Leakage: 350 bar (5075 psi) at 32 cSt. Ports 3 to 4: 492 ml/min (30 cu.in./min); Ports 3 to 2: 655 ml/min (40 cu.in./min); Pilot Pressure: 350 bar (5075 psi).
Operating Temperature: -54 to 107°C (-65 to 225°F) with PPDI urethane seals
Filtration: See page 9.010.1
Fluids: Mineral-based or synthetics with lubricating properties at viscosities of 7.4 to 420 cSt (50 to 2000 sus); See Temperature and Oil Viscosity, page 9.060.1
Installation: No restrictions; See page 9.020.1
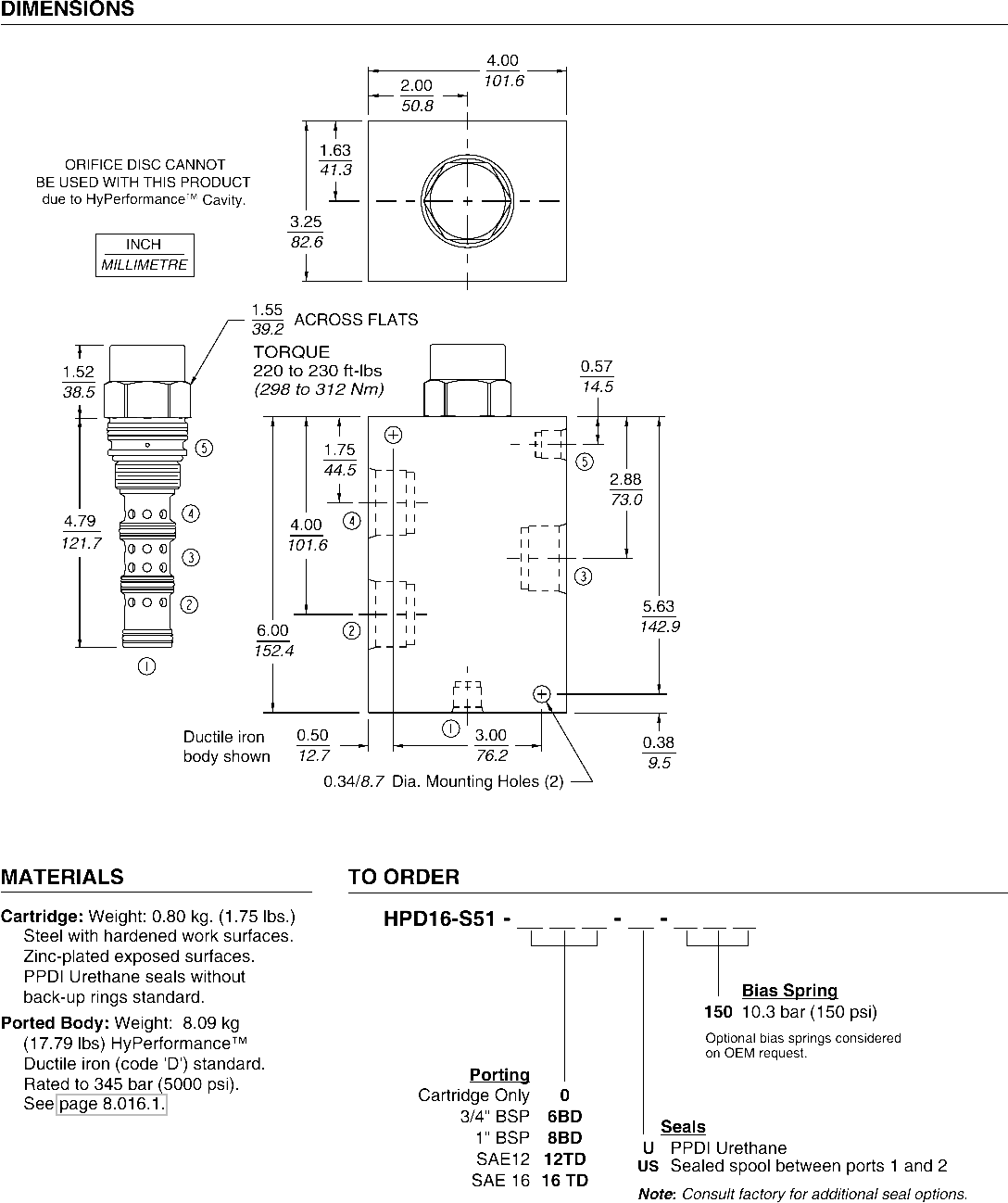
Cavity: HVC16-S5; See page 9.116.1
Cavity Tool: HCT16-5XX; See page 8.600.1
Seal Kit: HSK16-S5U-0000 (Urethane); See page 8.650.1



















