With over 300 years of engineering experience, Savery designs and manufactures high-quality hydraulic systems tailored to your needs. If you're interested in this product, fill in our contact form, and our team will be in touch.
Contact usHEP16-S35 HyPerformance (HEP16-S35)
A high-pressure spool-type, screw-in, cartridge-style, hydraulic directional element, with multi-function potential when used with other directional, pressure, or flow control devices.
Product Operation
The HEP16-S35 is a spring-biased blocking valve which will shift to allow full flow from ➀ to ➁ only when pressure at ➀ exceeds the cumulative pressure of ➂, plus the bias spring pressure value.
HEP16-S35 is a pilot-to-close directional valve.
With no pressure at ➂, flow will be allowed from ➀ to ➁ once the bias spring force is overcome with pressure at ➀
Product Features
• Multiple function/application potential.
• Low pressure drop.
x All HyPerformance products are tested to the rigorous standards of the NFPA specifi cation T2.6.1.
 All HyPerformance valves are tested at a verifi cation level of 90% and an assurance of 99%.
Product Ratings
Operating Pressure: 350 bar (5075 psi); 10% cycle life: 420 bar (6090 psi)Note: All HyPerformance products are tested for 900K cycles at 350 bar and 100K at 420 bar.
Proof Pressure: 690 bar (10000 psi)
Burst Pressure: 1380 bar (20000 psi)
Flow: 190 lpm (50 gpm)
Internal Leakage: 164 ml/minute (10 cu. in./minute) max. at 350 bar (5075 psi)
Operating Temperature: -54 to 107°C (-65 to 225°F) with Urethane seals
Filtration: See page 9.010.1
Fluids: Mineral-based or synthetics with lubricating properties at viscosities of 7.4 to 420 cSt (50 to 2000 sus); See Temperature and Oil Viscosity, page 9.060.1
Installation: No restrictions; See page 9.020.1
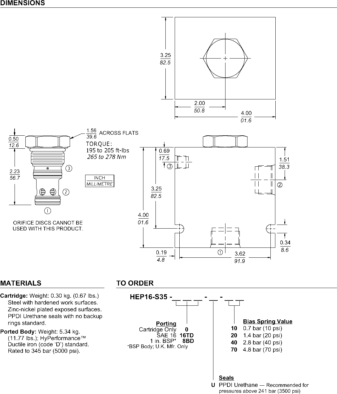
Cavity: HVC16-S3; See page 9.116.1
Cavity Tool: HCT16-S3XX; See page 8.600.1
Seal Kit: SK16-S3X-X; See page 8.650.1
HYDRAFORCE.com®6.9/1005.5/8076203810114301895015140FLOW lpm/gpmPRESSURE DROP bar/psi➀ to ➁ Fully Open32 cSt/150 sus oil at 40°C2.8/404.1/601.4/20


















