With over 300 years of engineering experience, Savery designs and manufactures high-quality hydraulic systems tailored to your needs. If you're interested in this product, fill in our contact form, and our team will be in touch.
Contact usHPE42-S67K HyPerformance (HPE42-S67K)
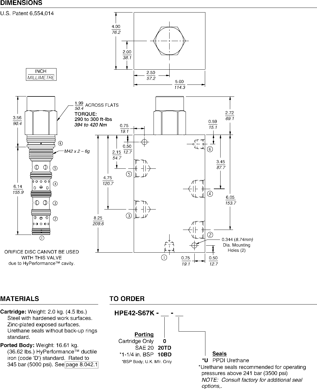
A high pressure, screw-in, cartridge-style, proportional, spring-centered, pilot-operat-ed spool-type hydraulic directional valve.
Product Operation
When the HPE42-S67K is in neutral position port 3 is blocked and ports 2, 4 and 5 are connected to each other. On remote pilot signal at 1, the spool shifts proportion-ally to the applied pilot pressure to allow flow from 3 to 4 through a load such as a hydraulic cylinder or motor and from 2 to 5, and to tank. Port 5 is to be used as a tank port only with maximum pressure of 69 bar (1000 psi). On remote pilot signal at 6, the spool shifts proportionally to the applied force in the opposite direction, thus reversing the flow direction.
The spool is non-symmetrical, providing only meter-in control.
Product Features
• Hardened spool and cage for long life.
• Excellent metering characteristics.
• Good linearity.
• All HyPerformance™ products are tested to the rigorous standards of the NFPA specification T2.6.1 and are tested at a verification level of 90% and an assurance of 99%.
Product Ratings
Maximum Operating Pressure: Ports 2, 3, 4 (work): 350 bar (5075 psi) (10% life cycle) 420 bar (6090 psi); Ports 1 and 6 (pilot): 35 bar (500 psi); Port 5 (tank): 69 bar (1000 psi)
Proof Pressure: 690 bar (10000 psi)
Burst Pressure: 1380 bar (20000 psi)
Flow Rating: 170 lpm (45 gpm)
Internal Leakage: 820 ml/minute (50 cu. in./minute) at 350 bar (5075 psi)
Temperature: -54°C to 107°C (-65°F to 225°F) with urethane seals
Filtration: See page 9.010.1
Fluids: Mineral-based or synthetics with lubricating properties at viscosities of 7.4 to 420 cSt (50 to 2000 sus); See Temperature and Oil Viscosity, page 9.060.1
Installation: No restrictions; See page 9.020.1
Cavity: HVC42-S6, Variation A; See page 9.142.1
Cavity Tool: HCT42-S6; See page 8.600.1
Seal Kit: HSK42-S6U-0000; See page 8.650.1
ISO SYMBOL
4.440.3





















