With over 300 years of engineering experience, Savery designs and manufactures high-quality hydraulic systems tailored to your needs. If you're interested in this product, fill in our contact form, and our team will be in touch.
Contact usHPE42-S67C HyPerformance (HPE42-S67C)
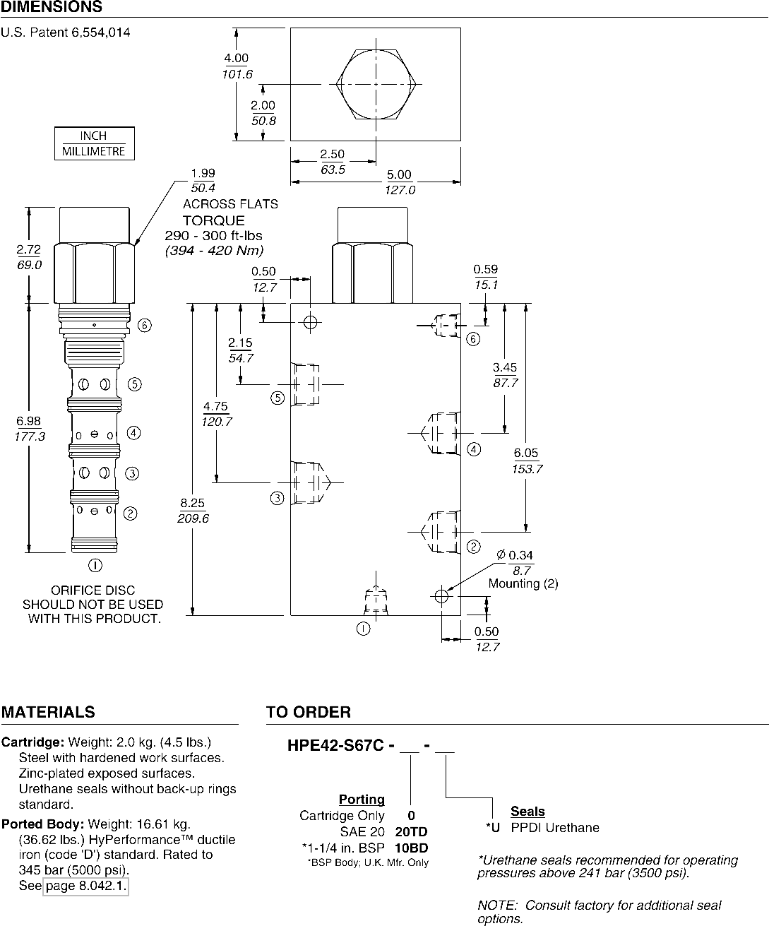
A high pressures, screw-in, cartridge-style, proportional, spring-centered,pilot-operated spool-type hydraulic directional valve.
Product Operation
When the HPE42-S67C is in neutral position all ports are blocked. When the remote pilot signal at 1 exceeds the force of the bias spring, the spool shifts proportionally to the applied pilot pressure to allow flow from 3 to 4 through a load such as a hydrau-lic cylinder or motor, and from 2 to 5 and to tank. Port 5 is to be used as a tank port only with maximum pressure of 69 bar (1000 psi). On remote pilot signal at port 6 the spool shifts proportionally to the applied force in the opposite direction, thus reversing the flow direction.
The valve’s spool is symmetrical, providing meter-in and meter-out control.
Product Features
• Hardened spool and cage for long life.
• Cost-effective cavity.
• Excellent metering characteristics.
• Good linearity.
• All HyPerformance™ products are tested to the rigorous standards of NFPA specification T2.6.1.
• All HyPerformance™ valves are tested at a verification level of 90% and an assurance of 99%.
Product Ratings
Maximum Operating Pressure: Ports 2, 3, 4 (work): 350 bar (5075 psi);Ports 2, 3, 4 at 10% cycle life: 420 bar (6090 psi);Ports 1 and 6 (pilot): 35 bar (500 psi); Port 5 (tank): 69 bar (1000 psi)
Flow: 170 lpm (45 gpm)
Internal Leakage: 590 ml/minute (36 cu. in./minute) at 350 bar (5075 psi)
Temperature: -54°C to 107°C (-65°F to 225°F) with PPDI urethane seals
Filtration: See page 9.010.1
Fluids: Mineral-based or synthetics with lubricating properties at viscosities of 7.4 to 420 cSt (50 to 2000 sus); See Temperature and Oil Viscosity, page 9.060.1
Installation: No restrictions; See page 9.020.1
Cavity: HVC42-S6 Variation A; See page 9.142.1
Cavity Tool: HCT42-S6; See page 8.600.1
Seal Kit: HSK42-S6U-0000; See page 8.650.1
ISO SYMBOL
4.420.3





















