With over 300 years of engineering experience, Savery designs and manufactures high-quality hydraulic systems tailored to your needs. If you're interested in this product, fill in our contact form, and our team will be in touch.
Contact usEC10-43 Pressure Compensator (EC10-43)
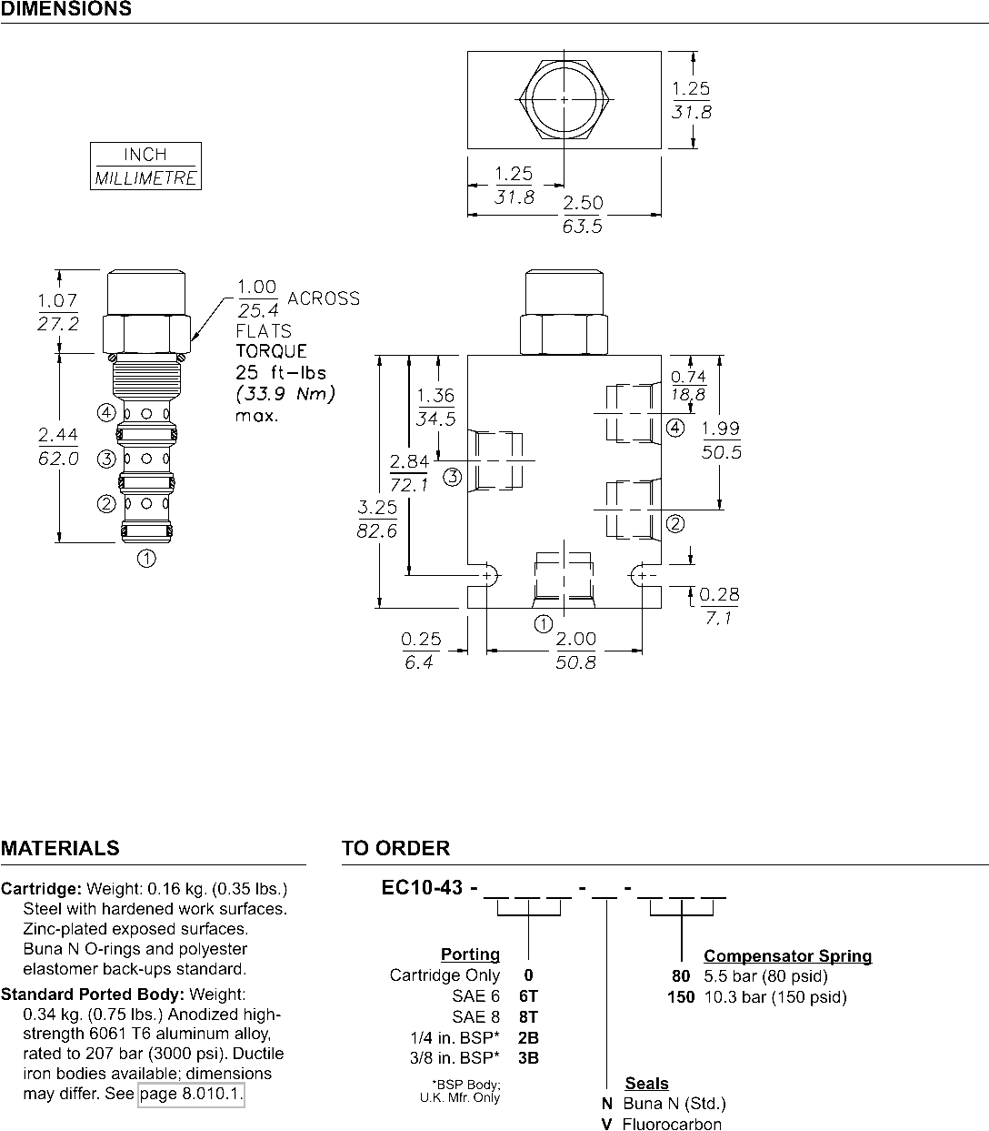
A screw-in, cartridge-style, priority-on-demand, pressure-compensator with a dynamic load sense, intended to provide priority flow in the required amount, while allowing excess flow to be used for auxiliary functions.
Product Operation
With inlet flow at ➂, the EC10-43 will deliver required priority flow at ➃, regardless of load pressure. Excess flow exits at ➁. Port ➀ is the load sense port. All ports may be fully pressurized.
Product Features
• Hardened parts for long life.
• Quiet, modulated response.
• Industry common cavity.
Product Ratings
Operating Pressure: Inlet: 240 bar (3500 psi)
Maximum Regulated Flow: 34.1 lpm (9 gpm) with 10.3 bar (150 psi) compensator spring; 26.0 lpm (7.0 gpm) with 5.5 bar (80 psi) compensator spring
Flow Maintenance: see performance chart
Temperature: -40 to 120°C with Buna N seals
Filtration: See page 9.010.1
Fluids: Mineral-based or synthetics with lubricating properties at viscosities of 7.4 to 420 cSt (50 to 2000 sus); See Temperature and Oil Viscosity, page 9.060.1
Installation: No restrictions; See page 9.020.1
Cavity: VC10-4; See page 9.110.1
Cavity Tool: CT10-4-XXX; See page 8.600.1
Seal Kit: SK10-4X-MMM; See page 8.650.1
HYDRAFORCE.com®
Note: This valve, the EC10-43, replaces the older EC10-41 functionally, although the two valves have different port logic. We will continue to provide the EC10-41 for existing customers, but recommend conversion to the new EC10-43 for new designs. For more information consult factory.




















