With over 300 years of engineering experience, Savery designs and manufactures high-quality hydraulic systems tailored to your needs. If you're interested in this product, fill in our contact form, and our team will be in touch.
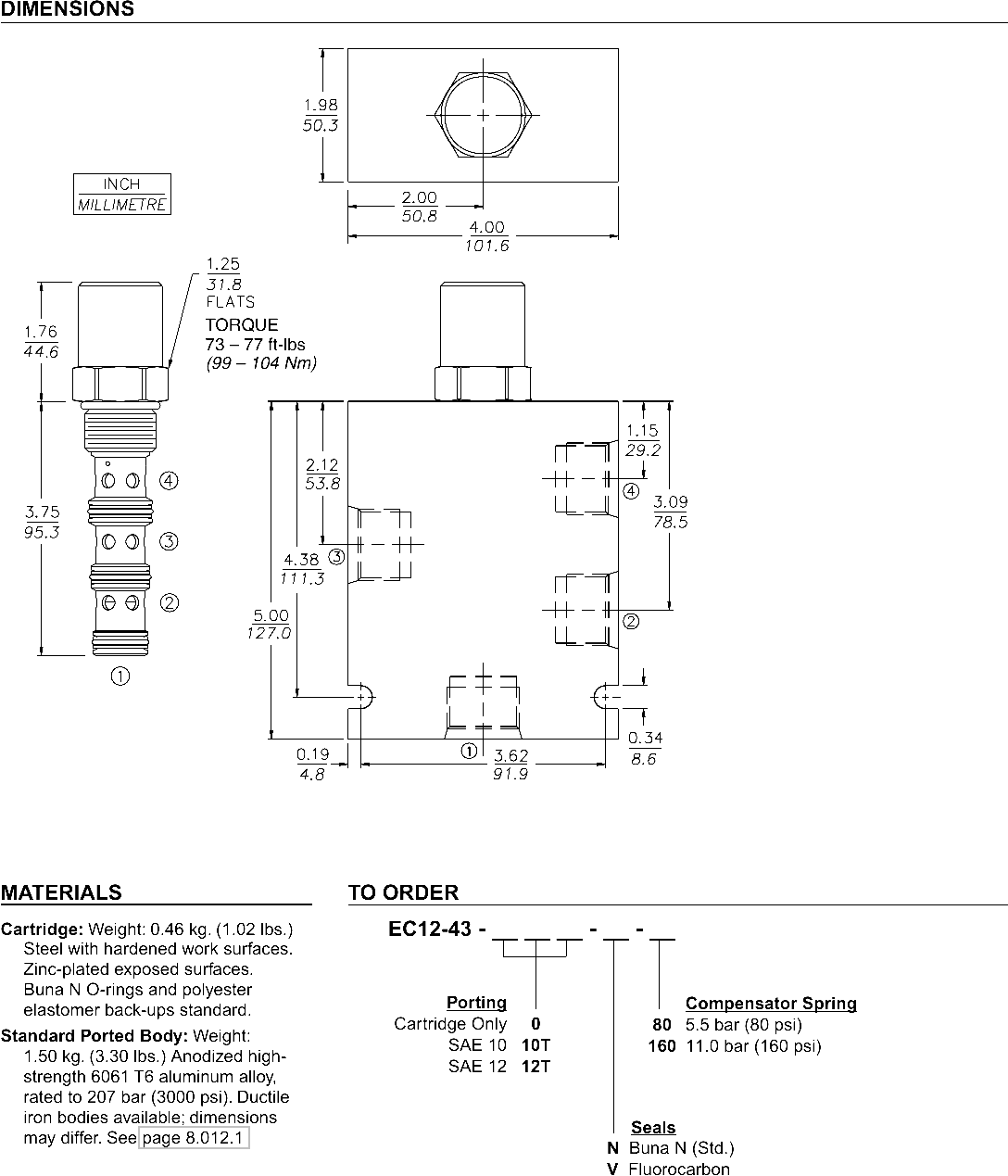
Contact usEC12-43 Pressure Compensator (EC12-43)
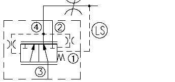
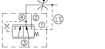
A screw-in, cartridge-style, priority-on-demand, pressure compensator with dynamic load sense intended to provide priority flow in the required amount, while allowing excess flow to be used for auxiliary functions.
Product Operation
With inlet flow at port ➂, the EC12-43 will deliver required priority flow at port ➃, based on the size of the external orifice, regardless of load pressure. Excess flow
exits, or is bypassed, at port ➁. Port ➀ is the load sense port. All ports may be fully pressurized.
Product Features
• Hardened parts for long life.
• Quiet, modulated response.
• Industry common cavity.
Product Ratings
Operating Pressure: Inlet: 345 bar (5000 psi); Note: Steel body required when used at or near 5000 psi.
Maximum Input Flow Rate: 95 lpm (25 gpm) with 160 psi compensating spring; 68 lpm (18 gpm) with 80 psi compensating spring
Priority Flow Rate: Up to 80% of input flow
Flow Maintenance: See performance chart
Temperature: -40 to 120°C with Buna N seals
Filtration: See page 9.010.1
Fluids: Mineral-based or synthetics with lubricating properties at viscosities of 7.4 to 420 cSt (50 to 2000 sus); See Temperature and Oil Viscosity, page 9.060.1
Installation: No restrictions; See page 9.020.1
Cavity: VC12-4; See page 9.112.1
Cavity Tool: CT12-4-XXX; See page 8.600.1
Seal Kit: SK12-4X-MMM; See page 8.650.1



















