With over 300 years of engineering experience, Savery designs and manufactures high-quality hydraulic systems tailored to your needs. If you're interested in this product, fill in our contact form, and our team will be in touch.
Contact usHEC12-42 Pressure Compensator, Static Load Sense (HEC12-42)
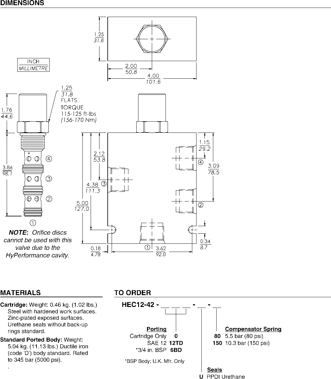
A screw-in, cartridge-style, priority-on-demand, pressure compensator with static load sense intended to provide priority flow in the required amount, while allowing excess flow to be used for auxiliary functions.
Product Operation
With inlet flow at port 3, the HEC12-42 will deliver required priority flow at port 4, based on the size of the external orifice, regardless of load pressure. Excess flow exits, or is bypassed, at port 2. Port 1 is the load sense port. All ports may be fully pressurized.
Product Features
• Hardened parts for long life.
• Quiet, modulated response.
• Industry common cavity.
Product Ratings
Operating Pressure: Inlet: 350 bar (5075 psi) 10% lift cycle; 420 bar (6090 psi)
Proof Pressure: 690 bar (10000 psi)
Burst Pressure: 1380 bar (20000 psi)
Maximum Inlet Flow Rate: 95 lpm (25 gpm) with 11 bar (160 psi) compensating spring; 68 lpm (18 gpm) with 5.5 bar (80 psi) compensating spring
Priority Flow Rate: Up to 80% of maximum input flow
Flow Maintenance: See performance chart.
Temperature: -54° to 107°C (-65° to 225°F) with PPDI Urethane seals
Filtration: See page 9.010.1
Fluids: Mineral-based or synthetics with lubricating properties at viscosities of 7.4 to 420 cSt (50 to 2000 sus); See Temperature and Oil Viscosity, page 9.060.1
Installation: No restrictions; See page 9.020.1
Cavity: HVC12-4
Cavity Tool: HCT12-4-xxx; See page 8.600.1
Seal Kit: HSK12-4U-MMM; See page 8.650.1




















