With over 300 years of engineering experience, Savery designs and manufactures high-quality hydraulic systems tailored to your needs. If you're interested in this product, fill in our contact form, and our team will be in touch.
Contact usHS52-42 Low Side (Hot Oil) Shuttle, Springless (HS52-42)
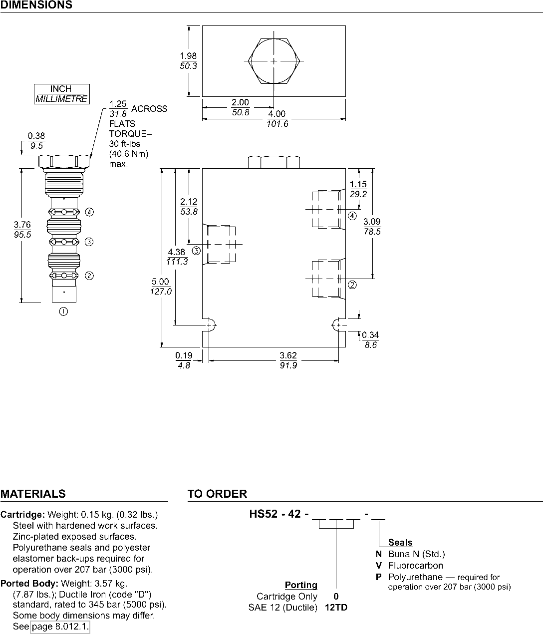
A spool-type, closed in transition, 2-position, 3-way hot oil shuttle valve, which may be used on hydrostatic transmissions to direct charge pump oil to a heat exchanger or to tank.
Product Operation
With internal piloting at port ➀, ➁ or ➃, oil will flow from the port opposite of the port piloted to port ➂, thus removing oil from the low-pressure side for cooling or fi ltration purposes. The valve is springless, relying solely on the internal pilot pressure signal
to shift to either side. The HS52-42 is closed in transition.
Product Features
• Hardened parts for long life.
• Industry common cavity.
Product Ratings
Operating Pressure: 345 bar (5000 psi) when used in steel body
Flow Rate: See Performance Chart
Internal Leakage: 164 cc/minute (10 cu. in./minute) max.
Temperature: -40 to 120°C
Filtration: See page 9.010.1
Fluids: Mineral-based or synthetics with lubricating properties at viscosities of 7.4 to 420 cSt (50 to 2000 sus); See Temperature and Oil Viscosity, page 9.060.1
Installation: No restrictions; See page 9.020.1
Cavity: VC12-4; See page 9.112.1
Cavity Tool: CT12-4XX; See page 8.600.1
Seal Kit: SK12-2x-TB













