With over 300 years of engineering experience, Savery designs and manufactures high-quality hydraulic systems tailored to your needs. If you're interested in this product, fill in our contact form, and our team will be in touch.
Contact usEHPR98-T33 Proportional Reducing/Relieving (EHPR98-T33)
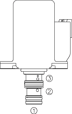
A direct-acting, spool-type, drop-in-style, fl ange-mounted, pressure reducing/reliev-ing valve, which can be infi nitely adjusted across a prescribed range using a variable electric input. Pressure output is proportional to DC current input. The Ecoil is an integral part of the valve assembly, and cannot be replaced or fi eld-serviced.
Product Operation
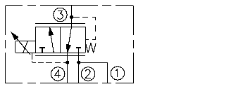
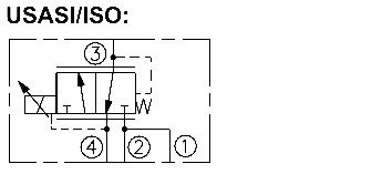
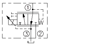
The EHPR98-T33 allows free flow from ➀ to ➂ when no current is applied to the coil. When the coil is energized, ➁ is connected to ➀. Increasing current applied to the coil will increase the control (reduced) pressure proportionally. If pressure at ➀ exceeds the setting induced by the coil, pressure from ➀ is relieved to ➂Note: Back pressure on port ➂ becomes additive to the pressure setting at a 1:1 ratio.
Product Features
• Economical drop-in style.
• Integral waterproof coil standard.
• 1000-hour salt spray protection.
• 10, 12, 20 or 24 VDC coils.
• Several push-on termination options.
Product Ratings
Maximum Inlet Pressure: 241 bar (3500 psi)
Common Port Burst Pressure: One cycle at 158 bar (2300 psi) on all ports simultaneously pressurized
Tank Port (➂)
Pressure: 34.5 bar (500 psi) maximum for 100,000 cycles
Maximum Control Current: 1.38 amps for 10 VDC coil; 1.30 amps for 12 VDC coil;0.69 amps for 20 VDC coil; 0.65 amps for 24 VDC coil
Resistance: 4.2 ohm (10V), 5.1 ohm (12V), 17.0 ohm (20V), 19.3 ohm (24V)
Inductance: 80 mH (12V)
Hysteresis: Less than 3% with 100 Hz PWM
Flow Rating: 3.8 lpm (1.0 gpm)
Step Response: TON 8.650.1



















