With over 300 years of engineering experience, Savery designs and manufactures high-quality hydraulic systems tailored to your needs. If you're interested in this product, fill in our contact form, and our team will be in touch.
Contact usHPD16-S67D HyPerformance (HPD16-S67D)
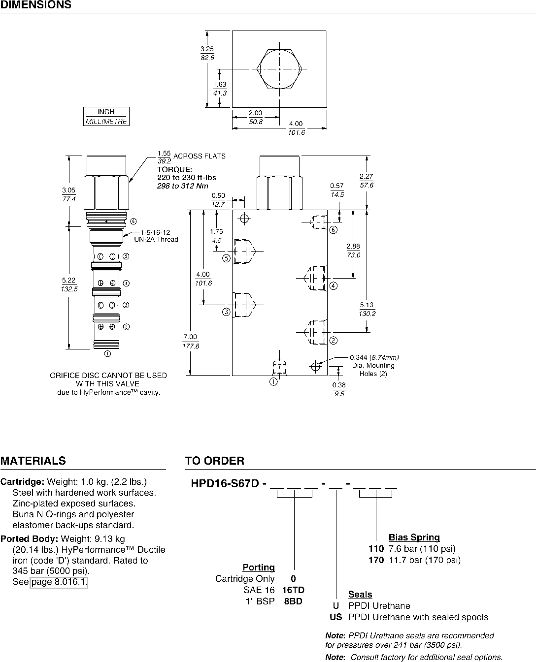
A high pressure screw-in, cartridge-style, pilot-operated, spool-type, hydraulicdirectional valve.
Product Operation
When the HPD16-S67D is in neutral position, port 3 is blocked and flow is allowed between ports 2, 4 and 5. When the remote pilot signal at 1 exceeds the force of the bias spring, the spool shifts to allow flow between 3 and 4, and between 2 and 5. When remote pilot signal at 6 exceeds the force of the bias spring, the spool shifts to allow flow from 3 to 2 and from 4 to 5.
Product Features
• Hardened spool and cage for long life.
• 110 and 170 psi bias springs available.• All HyPerformance™ products are tested to the rigorous standards of the NFPA specification T2.6.1.• All HyPerformance™ valves are tested at a verification level of 90% and an assurance of 99%.
Product Ratings
Operating Pressure: 350 bar (5075 psi); 10% life cycle: 420 bar (6090 psi)Note: All HyPerformance products are tested for 900K cycles at 350 bar and 100K at 420 bar.
Proof Pressure: 690 bar (10000 psi)
Burst Pressure: 1380 bar (20000 psi)
Flow Rating: 95 lpm (25 gpm)
Maximum Internal Leakage: at 350 bar (5075 psi): 492 ml/minute (30 cu. in./minute)
Operating Temperature: -54° to 107°C (-65° to 225°F) with urethane seals
Filtration: See page 9.010.1
Fluids: Mineral-based or synthetics with lubricating properties at viscosities of 7.4 to 420 cSt (50 to 2000 sus); See Temperature and Oil Viscosity, page 9.060.1
Installation: No restrictions; See page 9.020.1Note: Adaptor lock kit HF P/N 4207660 (sold separately) may be required when pilot pressure exceeds 35 bar (500 psi).
Cavity: HVC16-S6; See page 9.116.1
Cavity Tool: HCT16-S6XX; See page 8.600.1
Seal Kit: HSK16-S6U-00000; See page 8.650.1


















