With over 300 years of engineering experience, Savery designs and manufactures high-quality hydraulic systems tailored to your needs. If you're interested in this product, fill in our contact form, and our team will be in touch.
Contact usPC10-30 Check, Pilot-to-Open (PC10-30)
A screw-in, cartridge-style, pilot-operated, hydraulic check valve for use in blocking or load-holding circuits.
Product Operation
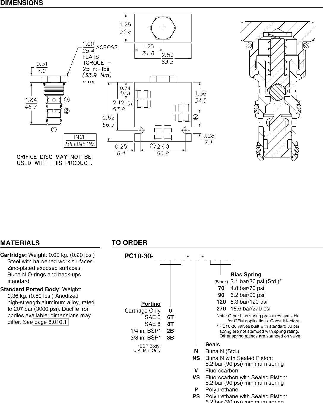
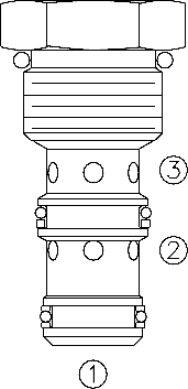
The PC10-30 allows flow passage from 2 to 3, while normally blocking flow from 3 to 2. Flow will be allowed from 3 to 2 when pressure is applied at 1.
The cartridge has a 4:1 pilot ratio, meaning that at least one-fourth of the load pressure held at 3 is required at 1 to open the valve.
The check is spring-biased to assure holding in static or no-load conditions. A sealed pilot piston option is available.
Note: Special higher bias spring values available. Consult factory.
Product Features
• Hardened seat for long life and low leakage.
• Optional sealed piston.• Optional spring ranges.
• Industry common cavity.
Product Ratings
Operating Pressure: 241 bar (3500 psi)
Flow: See Performance Chart
Maximum Internal Leakage at 207 bar (3000 psi): 3 to 2: 0.10 ml/minute (2 drops/minute) 2 to 1 without sealed piston: 115 ml/minute (7 cu. in./minute) 2 to 1 with sealed piston: zero leakage
Pilot Ratio: 4:1
Check Bias Spring: 2.07 bar (30 psi); With sealed piston option: 6.2 bar (90 psi) minimum
Temperature: -40 to 120°C (-40 to 248°F) with standard Buna seals
Filtration: See page 9.010.1
Fluids: Mineral-based or synthetics with lubricating properties at viscosities of 7.4 to 420 cSt (50 to 2000 sus); See Temperature and Oil Viscosity, page 9.060.1
Installation: No restrictions; See page 9.020.1
Cavity: VC10-3; See page 9.110.1
Cavity Tool: CT10-3XX; See page 8.600.1
Seal Kit: SK10-3X-TM (Buna N); SK10-3V-TM (Viton); SK10-3P-TM (Polyurethane)See page 8.650.1



















