With over 300 years of engineering experience, Savery designs and manufactures high-quality hydraulic systems tailored to your needs. If you're interested in this product, fill in our contact form, and our team will be in touch.
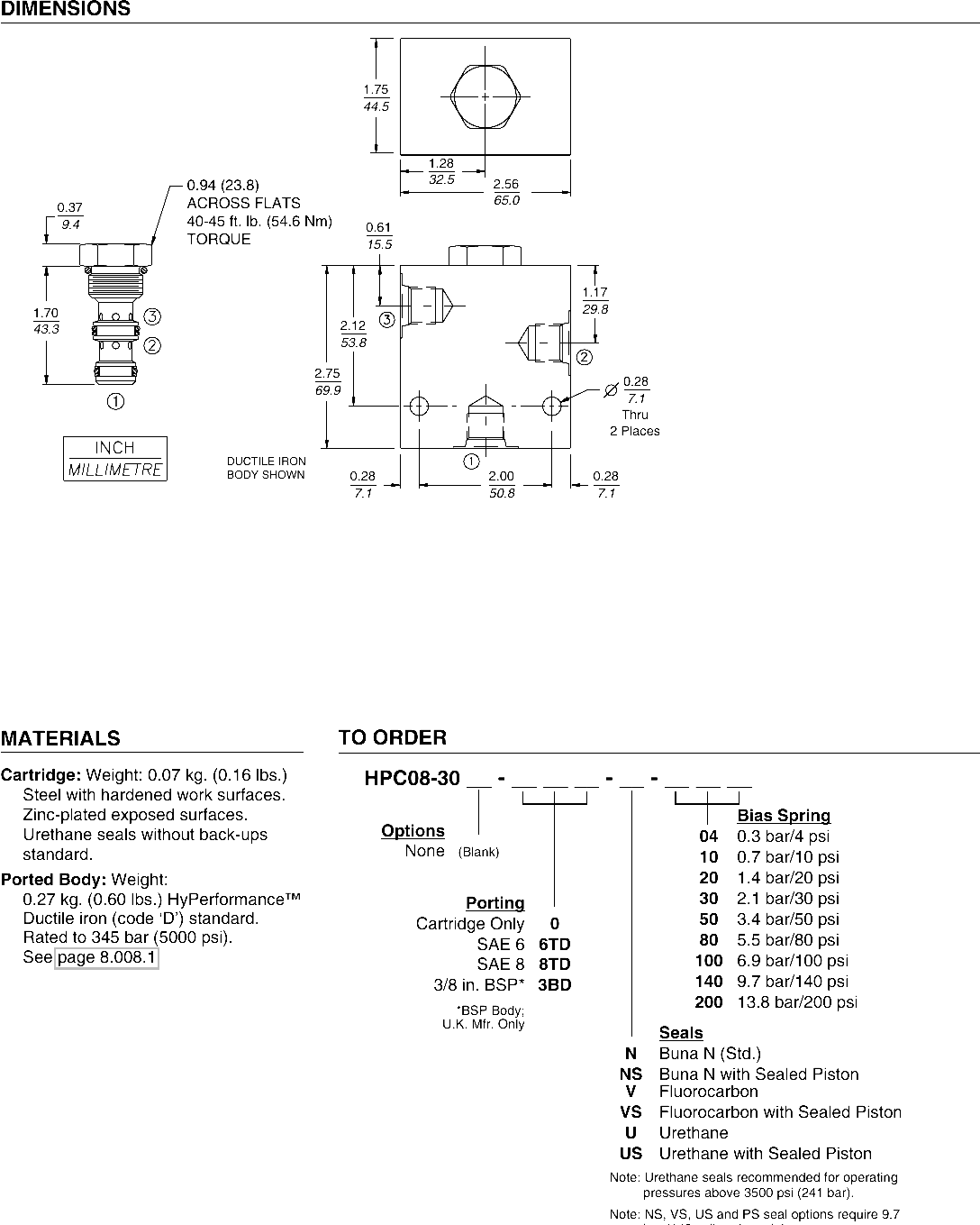
Contact usHPC08-30 HyPerformance (HPC08-30)
A screw-in, cartridge-style, pilot-operated, hydraulic check valve for use as a blocking or load-holding device for high pressure applications.
Product Operation
The HPC08-30 allows flow from 2 to 3, while normally blocking flow from 3 to 2. Flow will be allowed from 3 to 2 when pressure at 1 exceeds one-third the pressure at 3.
The cartridge has a 3:1 pilot ratio, meaning that at least one-third of the load pressure held at 3 is required at 1 to open the valve.
The check is spring-biased to assure holding in static or no-load conditions. A sealed pilot piston option is available.
Product Features
• Hardened seat for long life and low leakage.• Optional sealed piston.• Optional spring ranges.• Compact size.• All HyPerformance products are tested to the rigorous standards of the NFPA specification T2.6.1.• All HyPerformance valves are tested at a verification level of 90% and an assurance of 99%.
Product Ratings
Operating Pressure: 350 bar (5075 psi); 10% cycle life: 420 bar (6090 psi)Note: All HyPerformance products are tested for 900K cycles at 350 bar and 100K at 420 bar.
Fatigue Rating: 2 million cycles at 420 bar
Proof Pressure: 690 bar (10000 psi)
Burst Pressure: 1380 bar (20000 psi)
Flow: 30.3 lpm (8 gpm)
Maximum Internal Leakage at 350 bar (5075 psi): 0.10 ml/minute (2 drops/minute)
Temperature: -40 to 100°C (-40 to 212°F) with standard Buna seals;-26 to 204°C (-15 to 400°F) with fluorocarbon seals;-54 to 107°C (-65 to 225°F) with urethane seals
Filtration: See page 9.010.1
Fluids: Mineral-based or synthetics with lubricating properties at viscosities of 7.4 to 420 cSt (50 to 2000 sus); See Temperature and Oil Viscosity, page 9.060.1
Installation: No restrictions; See page 9.020.1
Cavity: HVC08-3; See page 9.108.1
Cavity Tool: HCT08-3XX; See page 8.600.1
Seal Kit: SK08-3X-TM for Buna N seals; SK08-3V-TM for viton seals; SK08-3U-00 for urethane seals; see page 8.650.1



















