With over 300 years of engineering experience, Savery designs and manufactures high-quality hydraulic systems tailored to your needs. If you're interested in this product, fill in our contact form, and our team will be in touch.
Contact usPRES50-30 Pressure Reducing/Relieving (PRES50-30)
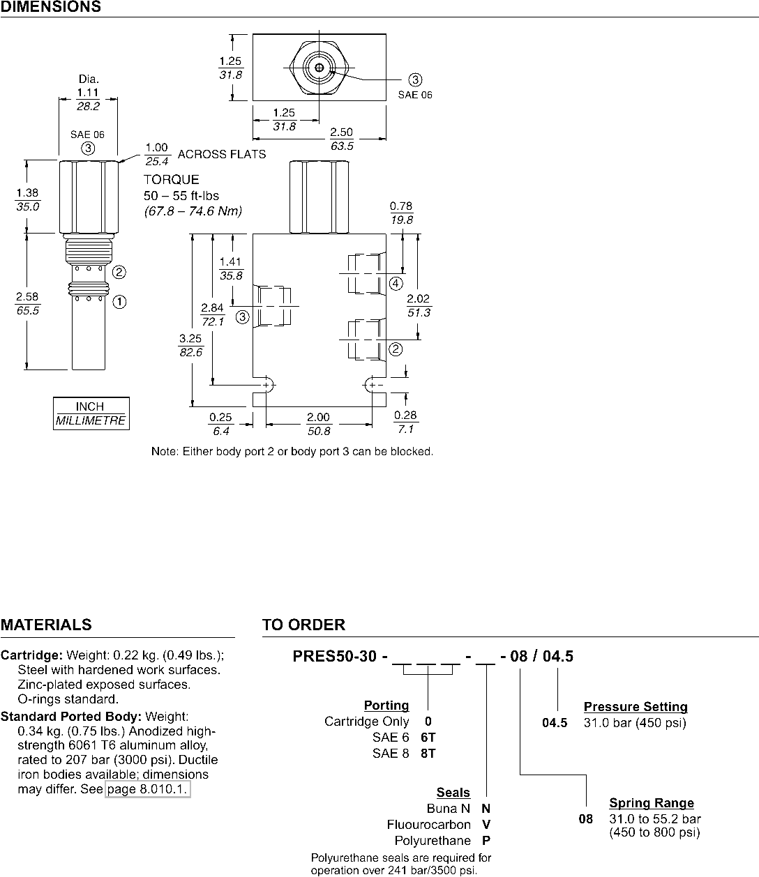
A screw-in, cartridge-style, direct-acting, spool-type reducing/relieving valve designed to act as a pressure regulating device for secondary circuits. It is intended for use in stable-input fl ow circuits.
Product Operation
In its steady state, the PRES50-30 allows bidirectional fl ow from ➂ to ➁ with the spring chamber constantly drained at ➀. Upon attainment of a predetermined pressure at ➁, the valve will shift to block fl ow at ➂, thereby regulating pressure at ➁. In this mode, the valve will also relieve port ➁ to port ➀ at a variable value over the set reducing pressure.
The tank port pressure is additive to the pressure setting at a ratio of 1:1.
Product Features
• High Pressure steel adapter on inlet port ➂ withstands up to 345 bar (5000 psi).
• Hardened spool and cage for long life.
Product Ratings
Maximum Rated Pressure at Supply Port: 345 bar (5000 psi)
Regulated Pressure Range: 31 to 55.2 bar (450 to 800 psi) at no-fl ow
Maximum Tank Port Pressure: 68.9 bar (1000 psi)
Rated Flow: 11.4 lpm (3 gpm) maximum
Maximum Internal Leakage: 131 ml/minute (8 cu. in./minute)
Temperature: -40 to 100°C with Buna N seals-26°C to 204°C with Fluorocarbon seals-54°C to 107°C with Polyurethane seals
Filtration: See page 9.010.1
Fluids: Mineral-based or synthetics with lubricating properties at viscosities of 7.4 to 420 cSt (50 to 2000 sus); See Temperature and Oil Viscosity, page 9.060.1
Installation: No restrictions; See page 9.020.1
Cavity: VC98-3; See page 9.110.1
Cavity Tool: CT98-3XX; See page 8.600.1
Seal Kit: SK10-2X-0_SPL; See page 8.650.1
HYDRAFORCE.com®
3212.8/402.1/304.8/703.4/504.1/601.4/200.7/107.82.05.71.59.52.53.81.01.90.511.43.0FLOW lpm/gpmPRESSURE bar/psiPressure Drop vs. Flow; 3 to 232 cSt/150 sus oil at 40°CReducing/Relieving Pressure vs. FlowPRESSURE bar/psiPRESSURE bar/psi41.4/60013.8/20027.6/40055.2/80068.9/100082.7/120041.4/60013.8/20027.6/40055.2/80068.9/100082.7/1200FLOW lpm/gpm9.52.511.43.07.82.05.71.53.81.01.90.51.90.53.81.05.71.57.82.09.52.511.43.0Reducing Pressure 3 to 2Relieving Pressure 2 to 1




















